
UX Collective - Medium
shared a link post in group #Product Design

uxdesign.cc
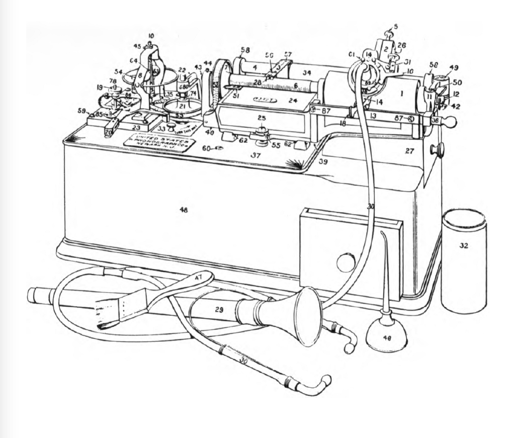
Evolution of manuals: UX inspiration from history
We can safely say that since there was writing, there was also some kind of instructions. With all the hard work that goes into creating…
